External Memory Interfaces (EMIF) IP User Guide: Agilex™ 5 FPGAs and SoCs
ID
817467
Date
4/01/2024
Public
A newer version of this document is available. Customers should click here to go to the newest version.
1. About the External Memory Interfaces Agilex™ 5 FPGA IP
2. Agilex™ 5 FPGA EMIF IP – Introduction
3. Agilex™ 5 FPGA EMIF IP – Product Architecture
4. Agilex™ 5 FPGA EMIF IP – End-User Signals
5. Agilex™ 5 FPGA EMIF IP – Simulating Memory IP
6. Intel® Agilex™ 5 FPGA EMIF IP - DDR4 Support
7. Intel® Agilex™ 5 FPGA EMIF IP - LPDDR4 Support
8. Intel® Agilex™ 5 FPGA EMIF IP - LPDDR5 Support
9. Agilex™ 5 FPGA EMIF IP – Timing Closure
10. Agilex™ 5 FPGA EMIF IP – Controller Optimization
11. Agilex™ 5 FPGA EMIF IP – Debugging
12. Document Revision History for External Memory Interfaces (EMIF) IP User Guide
3.2.1. Agilex™ 5 EMIF Architecture: I/O Subsystem
3.2.2. Agilex™ 5 EMIF Architecture: I/O SSM
3.2.3. Agilex™ 5 EMIF Architecture: HSIO Bank
3.2.4. Agilex™ 5 EMIF Architecture: I/O Lane
3.2.5. Agilex™ 5 EMIF Architecture: Input DQS Clock Tree
3.2.6. Agilex™ 5 EMIF Architecture: PHY Clock Tree
3.2.7. Agilex™ 5 EMIF Architecture: PLL Reference Clock Networks
3.2.8. Agilex™ 5 EMIF Architecture: Clock Phase Alignment
3.2.9. User Clock in Different Core Access Modes
6.4.3.1. 1 Rank x 8 Discrete (Memory Down) Topology
6.4.3.2. 1 Rank x 16 Discrete (Memory Down) Topology
6.4.3.3. VREF_CA/RESET Signal Routing Guidelines for 1 Rank x 8 and 1 Rank x 16 Discrete (Memory Down) Topology
6.4.3.4. Skew Matching Guidelines for DDR4 (Memory Down) Discrete Configurations
6.4.3.5. Power Delivery Recommendation for DDR4 Discrete Configurations
6.4.3.6. DDR4 Simulation Strategy
11.1. Interface Configuration Performance Issues
11.2. Functional Issue Evaluation
11.3. Timing Issue Characteristics
11.4. Verifying Memory IP Using the Signal Tap Logic Analyzer
11.5. Generating Traffic with the Test Engine IP
11.6. Guidelines for Developing HDL for Traffic Generator
11.7. Hardware Debugging Guidelines
11.8. Create a Simplified Design that Demonstrates the Same Issue
11.9. Measure Power Distribution Network
11.10. Measure Signal Integrity and Setup and Hold Margin
11.11. Vary Voltage
11.12. Operate at a Lower Speed
11.13. Determine Whether the Issue Exists in Previous Versions of Software
11.14. Determine Whether the Issue Exists in the Current Version of Software
11.15. Try A Different PCB
11.16. Try Other Configurations
11.17. Debugging Checklist
11.18. Categorizing Hardware Issues
11.19. Signal Integrity Issues
11.20. Characteristics of Signal Integrity Issues
11.21. Evaluating Signal Integrity Issues
11.22. Skew
11.23. Crosstalk
11.24. Power System
11.25. Clock Signals
11.26. Address and Command Signals
11.27. Read Data Valid Window and Eye Diagram
11.28. Write Data Valid Window and Eye Diagram
11.29. Hardware and Calibration Issues
11.30. Memory Timing Parameter Evaluation
11.31. Verify that the Board Has the Correct Memory Component or DIMM Installed
7.2.3.6. Pin Placements for Agilex™ 5 FPGA EMIF IP for LPDDR4
Intel® Agilex™ 5 FPGA LPDDR4 IP supports fixed address and command pin placement, and fixed data lanes placement.
You can only use fixed byte lanes within the I/O Bank as data lanes. Below is the summary of the location for address and command, and data lanes.
For two-channel x16 LPDDR4, the DQ group placement must follow the controller I/O sub-bank:
Controller | Data Width | BL7 [P95:P84] | BL6 [P83:P72] | BL5 [P71:P60] | BL4 [P59:P48] | BL3 [P47:P36] | BL2 [P35:P24] | BL1 [P23:P12] | BL0 [P11:P0] | BL7 [P95:P84] | BL6 [P83:P72] | BL5 [P71:P60] | BL4 [P59:P48] | BL3 [P47:P36] | BL2 [P35:P24] | BL1 [P23:P12] | BL0 [P11:P0] | |
---|---|---|---|---|---|---|---|---|---|---|---|---|---|---|---|---|---|---|
Primary | LPDDR4 x32 | DQ[3] P | DQ[2] P | GPIO | GPIO | AC1 P | AC0 P | DQ[1] P | DQ[0] P | |||||||||
Primary | LPDDR4 1ch x16 | GPIO | GPIO | GPIO | GPIO | AC1 P | AC0 P | wDQ[1] | wDQ[0] | |||||||||
Secondary * | LPDDR4 1ch x16 | DQ[1] S | DQ[0] S | AC1 S | AC0 S | GPIO | GPIO | GPIO | GPIO | |||||||||
Primary + Secondary | LPDDR4 2ch x16 | DQ[1] S | DQ[0] S | AC1 S | AC0 S | AC1 P | AC0- P | DQ[1] P | DQ[0] P | |||||||||
Primary + Secondary | LPDDR4 4ch x16 | DQ[1] S | DQ[0] S | AC1 S | AC0 S | AC1 P | AC0- P | DQ[1] P | DQ[0] P | DQ[1] S | DQ[0] S | AC1 S | AC0 S | AC1 P | AC0 P | DQ[1] P | DQ[0] P | |
Note:
|
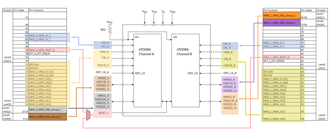
The diagrams below illustrates the pin connections for address and command and the data group.
Note: Refer to the LPDDR4 pin table in the Product Architecture chapter for detailed pin placement for both address and command and DQ pins.
Figure 31. Dual-Channel x16 LPDDR4, Single Rank

Figure 32. Single-Channel x32 LPDDR4, Single Rank
