External Memory Interfaces Intel® Agilex™ FPGA IP User Guide

ID 683216
Date 12/19/2022
Public

A newer version of this document is available. Customers should click here to go to the newest version.

Document Table of Contents

10.4.2. Additive Latency

Additive latency increases the efficiency of the command and data bus for sustainable bandwidths.

You may issue the commands externally but the device holds the commands internally for the duration of additive latency before executing, to improve the system scheduling. The delay helps to avoid collision on the command bus and gaps in data input or output bursts. Additive latency allows the controller to issue the row and column address commands—activate, and read or write—in consecutive clock cycles, so that the controller need not hold the column address for several (tRCD) cycles. This gap between the activate and the read or write command can cause bubbles in the data stream.

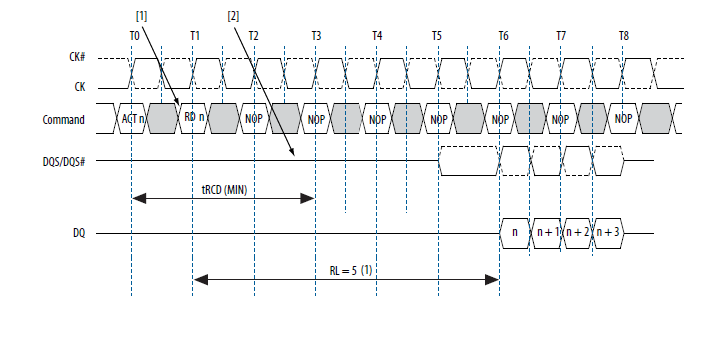
The following figure shows an example of additive latency.

Figure 169. Additive Latency—Read

Additive Latency—Read

The following sequence of events describes the above figure:

  1. The controller issues a read or write command before the tRCD (MIN) requirement— additive latency less than or equal to tRCD (MIN).
  2. The controller holds the read or write command for the time defined by additive latency before issuing it internally to the SDRAM device.

Read latency = additive latency + CAS latency

Write latency = additive latency + CAS latency – tCK