External Memory Interfaces (EMIF) IP User Guide: Agilex™ 5 FPGAs and SoCs

ID 817467
Date 1/13/2025
Public

A newer version of this document is available. Customers should click here to go to the newest version.

Document Table of Contents

8.2.1.2. LPDDR4 Component Options

The table and figure below illustrate the pin placement and routing recommendation for a single 32-bit channel, and two 16-bit channels, respectively.
Note: Always consult your memory vendor’s data sheet to verify pin placement and routing plans.
Table 246.  Pin Options for LPDDR4 x32 and 2CH x16
Pins 1 CH x32 2 CH x16
Data

DQ[15:0]_A

DQ[15:0]_B

DQ[15:0]_A

DQ[15:0]_B

Data mask

DMI[1:0]_A

DMI[1:0]_B

DMI[1:0]_A

DMI[1:0]_B

Data strobe

DQS[1:0]_t_A

DQS[1:0]_c_A

DQS[1:0]_t_B

DQS[1:0]_t_B

DQS[1:0]_t_A

DQS[1:0]_c_A

DQS[1:0]_t_B

DQS[1:0]_c_B

Address/Command

CA[5:0]_A

CS0_A

CA[5:0]_B

CS0_B

CA[5:0]_A

CS0_A

CA[5:0]_B

CS0_B
Clock

CK_t_A

CK_c_A

CK_t_B

CK_c_B

CK_t_A

CK_c_A

CK_t_B

CK_c_B

Clock Enable

CKE_A

CKE_B

CKE_A CKE_B
Reset

RESET_n

RESET_n (Resistor jumper to select from mem_0 or mem_1.)

Note:

The LPDDR4 EMIF IP would generate one reset pin to the memory module for both single channel x16/x32 or dual channel x16 designs.

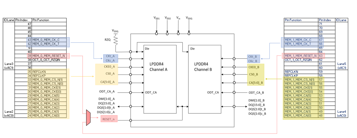
For early board bring up and easy debugging on a dual channel x16 design, you can plan to test each channel independently as a single channel design. You can design the board with two reset pins connected through a resistor jumper to choose the reset from the primary or secondary channel. The example for dual channel x16 LPDDR4 with two reset pins is shown in the two figures below.

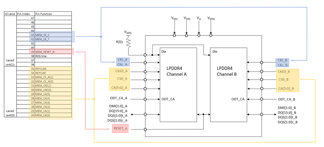
For mature designs, you can design the board with one reset pin connected from the primary channel.

Figure 25. Single-Channel x32 LPDDR4, Single Rank

Figure 26. Dual-Channel x16 LPDDR4, Single Rank