Intel® Quartus® Prime Pro Edition User Guide: Design Compilation
A newer version of this document is available. Customers should click here to go to the newest version.
2.3.1.3. Object Set Console
To launch the Object Set Console dialog box, navigate to the View menu in the RTL Analyzer interface and click Object Set Console Window.
Consider an example where you traced fan-in or fan-out connectivity of your design using the Connectivity Tracer tool. When you view a specific traced path, it gets highlighted in the schematic viewer. The Object Set Console Window has three tabs: Selection, Highlight, and Color. Each tab provides different details as described in the following sections:
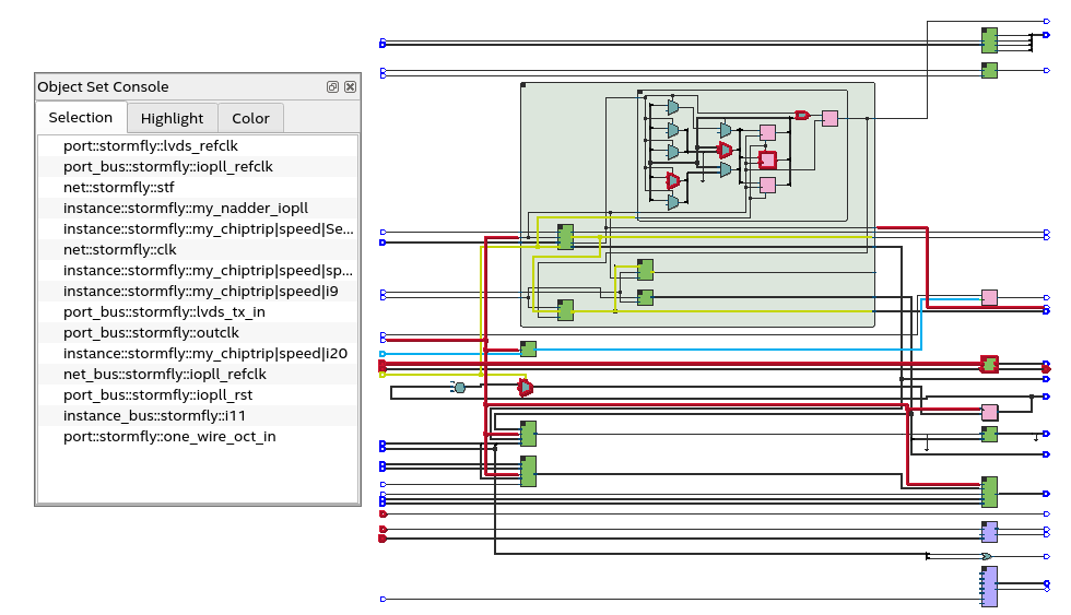
Selection Tab
The Selection tab lists all netlist objects, such as ports, instances, instance ports, and nets, currently selected in the schematic viewer, as shown in the following image. Using the context-sensitive menu, you can view the object in a new tab or locate the node in the design file.

Color Tab
The Color tab lists all the paths traced by the Connectivity Tracer, with different color codes. When you expand each traced path, you can see the list of nodes in the path.

Using the Color tab's context-sensitive menu, you can view the desired node in a new tab within the schematic viewer, highlight/unhighlight the path, or change the color of the traced path. To change the node color, you can also use the Highlight drop-down on the RTL Analyzer main menu.


Highlight Tab
When you select the Highlight option in the Color tab's context-sensitive menu for a specific traced path, respective nodes are highlighted in the schematic viewer and listed in the Highlight tab.
