External Memory Interfaces Agilex™ 7 M-Series FPGA IP User Guide

ID 772538
Date 9/29/2025
Public
Document Table of Contents

8.2.1.2. LPDDR5 Component Options

The table and figures below illustrate pin placement and routing recommendation for a single 32-bit channel, and two 16-bit channels, respectively.
Note: You should always consult your memory vendor’s data sheet to verify pin placement and routing plans.
Table 230.  Pin Options for LPDDR5 x32 and x16
Pins 1CH x32 2CH x16
Data

32-bit

DQ[15:0]_A

DQ[15:0]_B

DQ[15:0]_A

DQ[15:0]_B

Data mask

DM[1:0]_A

DM[1:0]_B

DM[1:0]_A

DM[1:0]_B

Read data strobe

RDQS[1:0]_t_A

RDQS[1:0]_c_A

RDQS[1:0]_t_B

RDQS[1:0]_t_B

RDQS[1:0]_t_A

RDQS[1:0]_c_A

RDQS[1:0]_t_B

RDQS[1:0]_c_B

Write clock

WCK[1:0]_t_A

WCK[1:0]_c_A

WCK[1:0]_t_B

WCK[1:0]_c_B

WCK[1:0]_t_A

WCK[1:0]_c_A

WCK[1:0]_t_B

WCK[1:0]_c_B

Command/address

CA[6:0]_A

CS0_A

CA[6:0]_B

CS0_B

CA[6:0]_A

CS0_A

CA[6:0]_B

CS0_B

Clock

CK_t_A

CK_c_A

CK_t_B

CK_c_B

CK_t_A

CK_c_A

CK_t_B

CK_c_B

Reset

RESET_n

RESET_n (Resistor jumper to select from mem_0 or mem_1.)

Note:

The LPDDR5 EMIF IP design would generate one reset pin to the memory module for both single channel x16/x32 or dual channel x16 design.

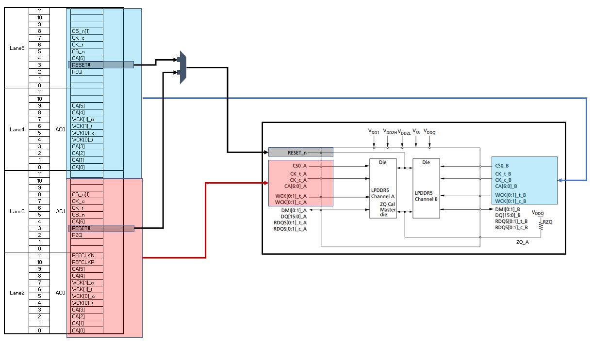
For early board bring up and easy debugging on dual channel x16 designs, you can test each channel independently as single channel design. You can design the board with two reset pins connected through a resistor jumper to choose the reset from the primary channel or secondary channel. The example for dual channel x16 LPDDR5 with two reset pins is shown in the figure below.

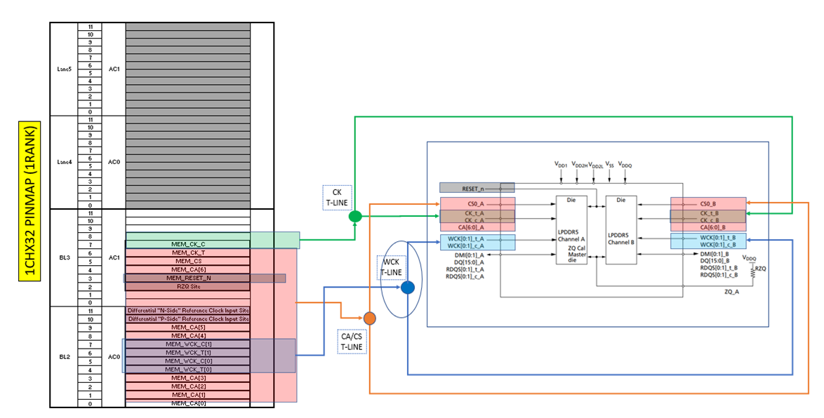
For mature designs, you can design the board with one reset pin connected out from the primary channel.

Figure 56. Pin Options for LPDDR5 2ch x16
Figure 57. Pin Options for LPDDR5 x32