External Memory Interfaces Intel Agilex® 7 M-Series FPGA IP User Guide
A newer version of this document is available. Customers should click here to go to the newest version.
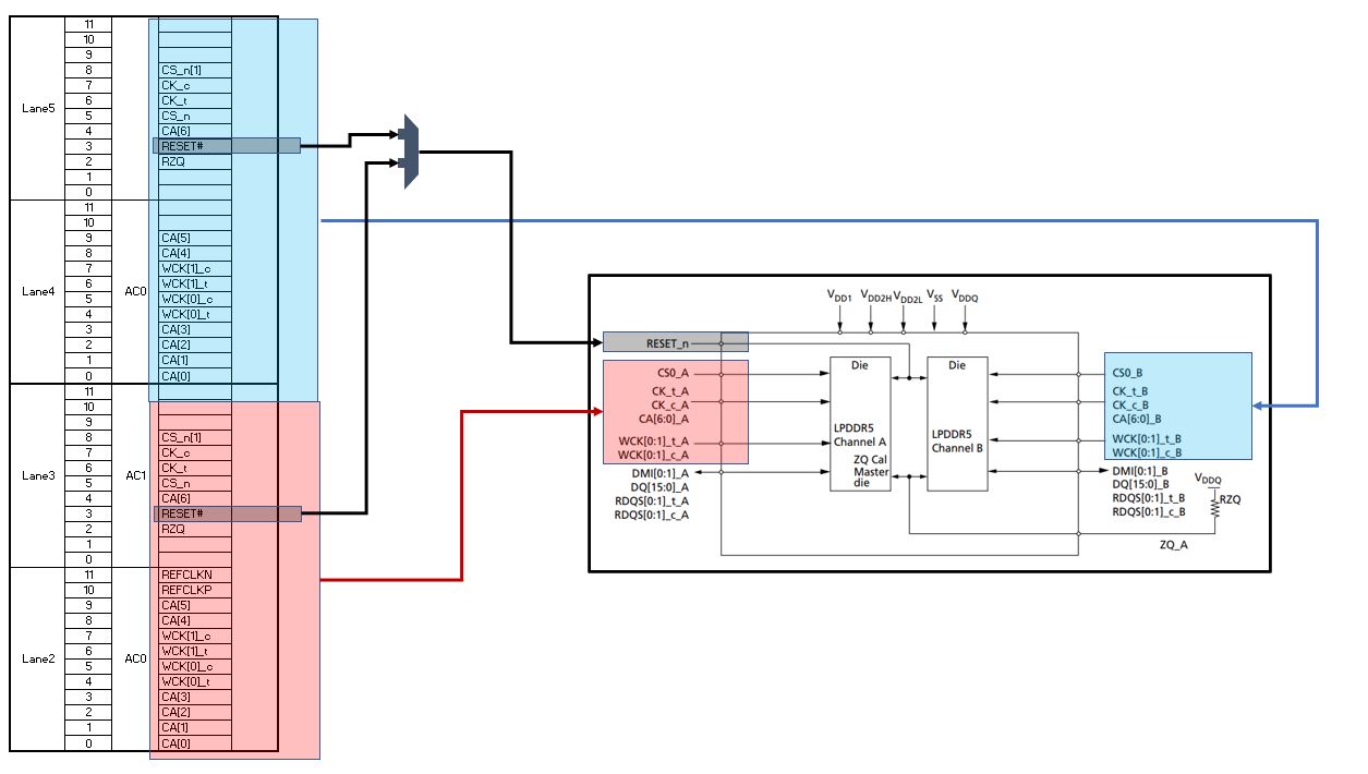
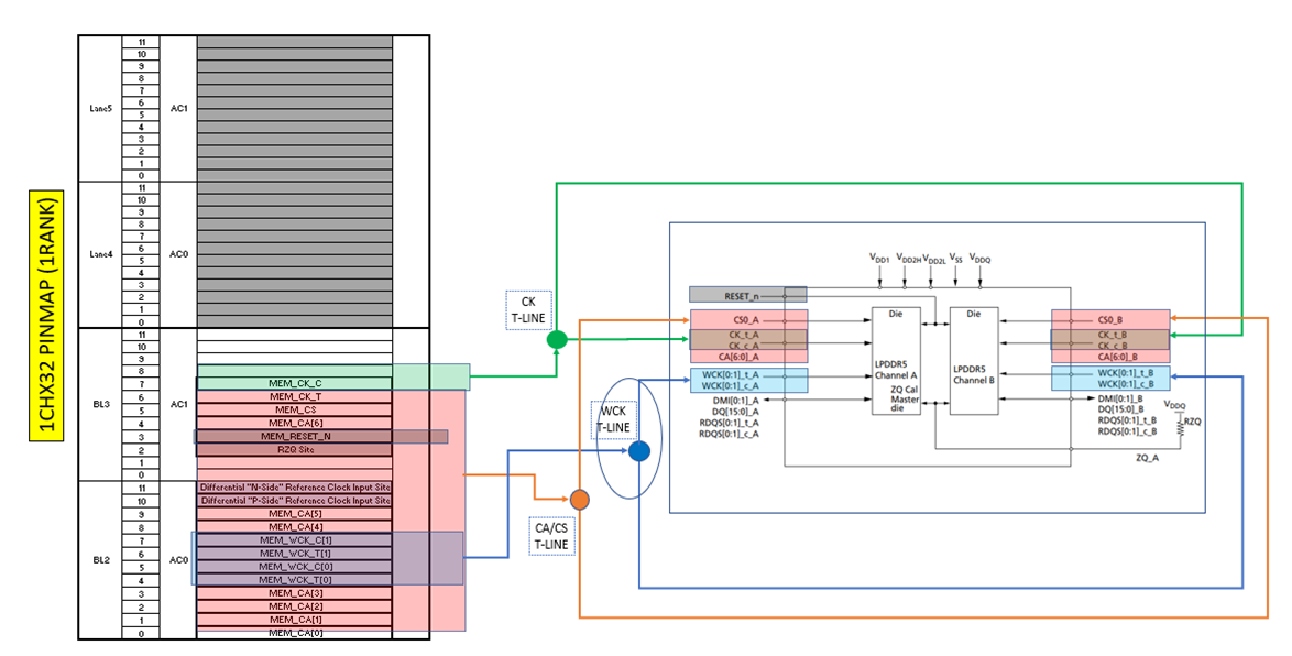
8.2.1.2. DIMM Options
Pins | 1CH x32 | 2CH x16 | |
---|---|---|---|
Data | 32-bit DQ[15:0]_A DQ[15:0]_B |
DQ[15:0]_A |
DQ[15:0]_B |
Data mask | DM[1:0]_A DM[1:0]_B |
DM[1:0]_A |
DM[1:0]_B |
Read data strobe | RDQS[1:0]_t_A RDQS[1:0]_c_A RDQS[1:0]_t_B RDQS[1:0]_t_B |
RDQS[1:0]_t_A RDQS[1:0]_c_A |
RDQS[1:0]_t_B RDQS[1:0]_c_B |
Write clock | WCK[1:0]_t_A WCK[1:0]_c_A WCK[1:0]_t_B WCK[1:0]_c_B |
|
|
Command/address | CA[6:0]_A CS0_A CA[6:0]_B CS0_B |
CA[6:0]_A CS0_A |
CA[6:0]_B CS0_B |
Clock | CK_t_A CK_c_A CK_t_B CK_c_B |
CK_t_A CK_c_A |
CK_t_B CK_c_B |
Reset | RESET_n |
RESET_n (Resistor jumper to select from mem_0 or mem_1.) |

