External Memory Interfaces (EMIF) IP User Guide: Agilex™ 5 FPGAs and SoCs
A newer version of this document is available. Customers should click here to go to the newest version.
8.2.1.2. LPDDR4 Component Options
Pins | 1 CH x32 | 2 CH x16 | |
---|---|---|---|
Data | DQ[15:0]_A DQ[15:0]_B |
DQ[15:0]_A |
DQ[15:0]_B |
Data mask | DMI[1:0]_A DMI[1:0]_B |
DMI[1:0]_A |
DMI[1:0]_B |
Data strobe | DQS[1:0]_t_A DQS[1:0]_c_A DQS[1:0]_t_B DQS[1:0]_t_B |
DQS[1:0]_t_A DQS[1:0]_c_A |
DQS[1:0]_t_B DQS[1:0]_c_B |
Address/Command | CA[5:0]_A CS0_A CA[5:0]_B CS0_B |
CA[5:0]_A CS0_A |
CA[5:0]_B CS0_B |
Clock | CK_t_A CK_c_A CK_t_B CK_c_B |
CK_t_A CK_c_A |
CK_t_B CK_c_B |
Clock Enable | CKE_A CKE_B |
CKE_A | CKE_B |
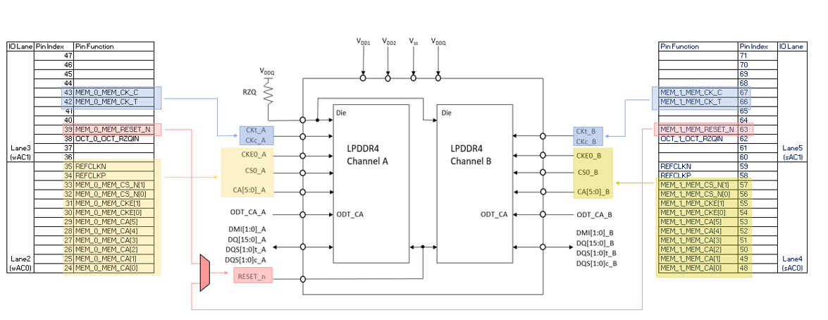
Reset | RESET_n |
RESET_n (Resistor jumper to select from mem_0 or mem_1.)
Note:
The LPDDR4 EMIF IP would generate one reset pin to the memory module for both single channel x16/x32 or dual channel x16 designs. For early board bring up and easy debugging on a dual channel x16 design, you can plan to test each channel independently as a single channel design. You can design the board with two reset pins connected through a resistor jumper to choose the reset from the primary or secondary channel. The example for dual channel x16 LPDDR4 with two reset pins is shown in the two figures below. For mature designs, you can design the board with one reset pin connected from the primary channel. |

