AN 995: Three-phase Boost Bidirectional AC-DC and LLC DC-DC Converter for EV Charging Design Example
ID
784593
Date
9/15/2023
Public
1. About the Three-phase Boost Bidirectional AC-DC and LLC DC-DC Converter for Electric Vehicle (EV) Charging Design Example
2. Getting started with the Design Example
3. Functional Description
4. Top-level VHDL Wrapper
5. Simulink Simulation Results
6. Document Revision History for AN 995: Three-phase Boost Bidirectional AC-DC and LLC DC-DC Converter for EV Charging Design Example
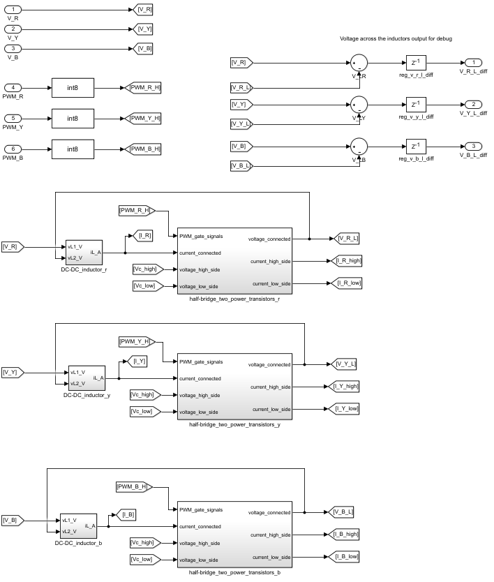
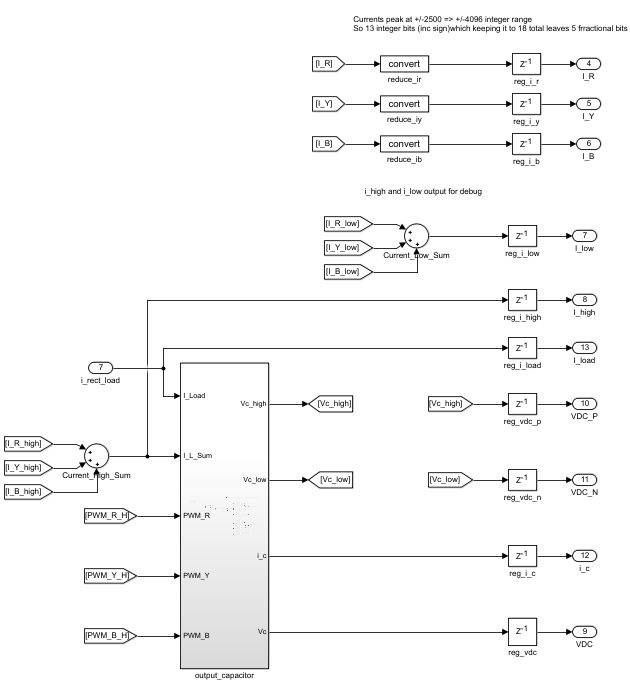
3.2.2. Power Electronics
The power electronics are a synthesizable model of the power electronics section of an EV charger. The power electronics are models of a power stage you can find in any Three-phase Boost Bidirectional AC-DC and LLC DC-DC Converter for EV Charging design. The power electronics include the following components:
- Insulated Gate Bipolar Transistors (IGBT)
- Diodes
- High-voltage capacitors
The power electronics allow you to measure parasitic resistance and capacitance. The power electronics model in HDL and FPGA allows you to emulate your power stage in the FPGA and fine-tune the controller parameters according to your system characteristics. An actual design does not have the power electronics. The power electronic circuit is in the EV charger station.
Figure 20. Power Electronics Model

Figure 21. Power Electronics Model - 2
